欧美性网址/久久国产剧情/理伦片在线观看免费/欧美专区第二页

產品推薦Recommend

QX-260 全自動濕巾包裝機(單片)

全自動單片濕巾包裝機型號:QX-260 全自動濕巾包裝機(單…

全自動濕巾筷子三件套包裝機

全自動濕巾筷子包裝機產品介紹:QX-450全自動濕巾筷子包裝…

搖臂裁斷機

裁斷機ALD-20T液壓搖臂裁斷機用途與特點: 裁斷機適用于…

全自動濕巾包裝機

SX-450全自動濕巾包裝機 一、自動濕巾包裝機設備的性能結…

尼桑 騏達 頤達 軒逸/驪威 汽車空調控制面板

YF-1001尼桑/騏達/頤達/軒逸/驪威/汽車空調控制面板…

GLX-50 Automatic roller compactor

Roller compactor Roller compac…

制釘機

浙江正一機械有限公司 Z94型高速制釘機主要技術參數 序號…

當前位置: 首頁 > 推薦廠家 > 浙江鑫隆機械有限公司

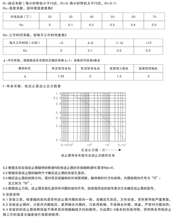
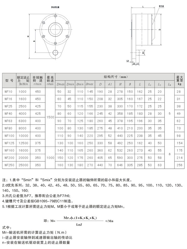
NF型非接觸式逆止器

日期:2019/4/7 21:32:57 閱讀:136

NF型非接觸式逆止器

逆止器適用范圍及用途

      NF型非接觸式逆止器是用在高速軸上的防逆轉裝置,具有逆止可靠,解脫容易,逆止力矩大,重量輕、安裝方便等優點。其綜合機械性能明顯優于其他逆止裝置,廣泛地應用于帶式輸送機,斗式提升機、刮板輸送機及其它有逆止要求的設備。我廠生產的NF型逆止器,其技術性能完全符合JB/T 9015-1999的規定。

逆止器工作原理

      在逆止器內部,有多個異形塊分布在由內、外圈所形成的滾到中,當內圈正向運轉時,帶動異形塊一.起旋轉,當轉速過非接觸轉速時,異形塊在離心的作用下,異形塊與內,外圈脫離接觸,從而實現無摩損運轉。當內圈反向運轉時,在彈簧的作用下,異形塊與內、外圈接觸并將其楔緊成一體,承受由內圈傳送來的反向力矩。

逆止器


浙江鑫隆機械制造有限公司是一家專業研發、生產與銷售(逆止器、脹套)機械傳動配件的現代化高新技術企業。公司自成立以來,憑借著優秀的品質、完善的服務贏得了良好的市場聲譽,我們長期為國內國際眾多設備制造廠家提供各種傳動配件(逆止器、脹套),主要產品有脹緊聯結套、逆止器、聯軸器、鎖緊盤、緊定套(脹套)、退卸套等傳動件,為客戶提供一站式銷售安裝調試服務,產品廣泛應用于礦山、造紙、印刷、包裝等行業。
浙江鑫隆機械制造有限公司
地址:浙江省瑞安市
聯系人:王海鶴     手機:+86-13587520115
           戴偉就     手機:+86-13506572281
電話:+86-577-65279828/65279838
傳真:+86-577-65279868
Http://www.xlmachinery.cn
E-mail:zjxljx@126.com

下一個: 脹套